Hola, gracias por comunicarte a Tecnomar S.A. Nuestro horario de atención es de lunes a viernes de 9:00 a 18:00 horas, por lo que en este momento no podemos atenderte, pero en cuanto retomemos nuestro servicio atenderemos tu solicitud. Gracias por tu comprensión.
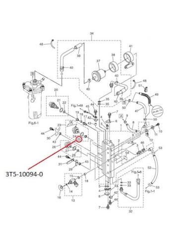
RTK39 ARO SELLO

RTK39 ARO SELLO

3T5-10094-0
$ 6.937 
Impuestos incluidos

RTK39 ARO SELLO

*Imagen Referencial

**Precio hace referencia únicamente al producto destacado en círculo rojo.

 

RTK39 ARO SELLO

Repuesto para motor Tohatsu:

2 tiempos inyectado 40 HP - 50 HP - 70 HP - 90 HP - 115 HP (MD40/50/70/90/115)

Producto sin reseñas
Producto añadido a favoritos
Producto añadido para comparar

Para mejorar la navegación se recomienda aceptar las cookies.