Hola, gracias por comunicarte a Tecnomar S.A. Nuestro horario de atención es de lunes a viernes de 9:00 a 18:00 horas, por lo que en este momento no podemos atenderte, pero en cuanto retomemos nuestro servicio atenderemos tu solicitud. Gracias por tu comprensión.
RTJ27 AROSELLO

RTJ27 AROSELLO

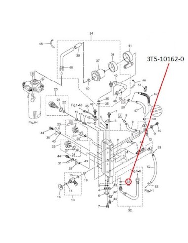
3T5-10162-0
$ 2.577 
Impuestos incluidos

RTJ27 AROSELLO

*Imagen Referencial

**Precio hace referencia únicamente al producto destacado en círculo rojo.

 

RTJ27 AROSELLO

Repuesto para motor Tohatsu:

2 tiempos inyectado 40 HP - 50 HP - 75 HP - 90 HP - 115 HP (MD40/50/75/90/115)

4 tiempos 15 HP - 20 HP - 25 HP - 30 HP (MFS15/20/25/30)

Producto sin reseñas
Producto añadido a favoritos
Producto añadido para comparar

Para mejorar la navegación se recomienda aceptar las cookies.