Hola, gracias por comunicarte a Tecnomar S.A. Nuestro horario de atención es de lunes a viernes de 9:00 a 18:00 horas, por lo que en este momento no podemos atenderte, pero en cuanto retomemos nuestro servicio atenderemos tu solicitud. Gracias por tu comprensión.
RTL97 RIEL

RTL97 RIEL

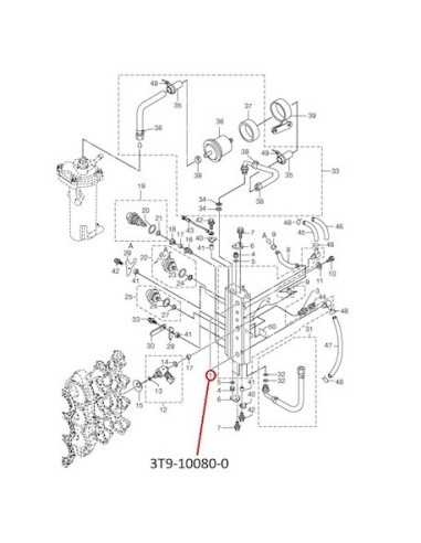
3T9-10080-0
Últimas unidades en stock
$ 612.438 
Impuestos incluidos

RTL97 RIEL

*Imagen Referencial

**Precio hace referencia únicamente al producto destacado en círculo rojo.

 

RTL97 RIEL

Repuesto para motor Tohatsu:

2 tiempos inyectado 70 HP - 90 HP (MD70/90)

Producto sin reseñas
Producto añadido a favoritos
Producto añadido para comparar

Para mejorar la navegación se recomienda aceptar las cookies.