Hola, gracias por comunicarte a Tecnomar S.A. Nuestro horario de atención es de lunes a viernes de 9:00 a 18:00 horas, por lo que en este momento no podemos atenderte, pero en cuanto retomemos nuestro servicio atenderemos tu solicitud. Gracias por tu comprensión.
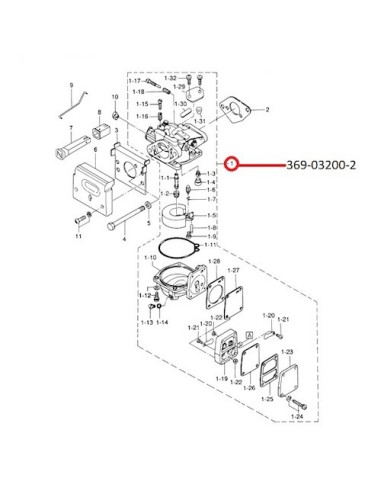
RTR66 CARBURADOR

RTR66 CARBURADOR

369-03200-2
$ 202.164 
Impuestos incluidos

RTR66 CARBURADOR

*Imagen Referencial

**Precio hace referencia únicamente al producto destacado en círculo rojo.

 

RTR66 CARBURADOR

Producto sin reseñas
Producto añadido a favoritos
Producto añadido para comparar

Para mejorar la navegación se recomienda aceptar las cookies.