Hola, gracias por comunicarte a Tecnomar S.A. Nuestro horario de atención es de lunes a viernes de 9:00 a 18:00 horas, por lo que en este momento no podemos atenderte, pero en cuanto retomemos nuestro servicio atenderemos tu solicitud. Gracias por tu comprensión.
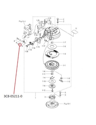
RTW83 BLOQUEO ARRANQUE

RTW83 BLOQUEO ARRANQUE

3C8-05211-0
Últimas unidades en stock
$ 3.369 
Impuestos incluidos

RTW83 BLOQUEO ARRANQUE

*Imagen Referencial

**Precio hace referencia únicamente al producto destacado en círculo rojo.

 

RTW83 BLOQUEO ARRANQUE

Repuesto para motor Tohatsu:

2 tiempos 40 HP - 50 HP (M40/50)

Producto sin reseñas
Producto añadido a favoritos
Producto añadido para comparar

Para mejorar la navegación se recomienda aceptar las cookies.