Hola, gracias por comunicarte a Tecnomar S.A. Nuestro horario de atención es de lunes a viernes de 9:00 a 18:00 horas, por lo que en este momento no podemos atenderte, pero en cuanto retomemos nuestro servicio atenderemos tu solicitud. Gracias por tu comprensión.
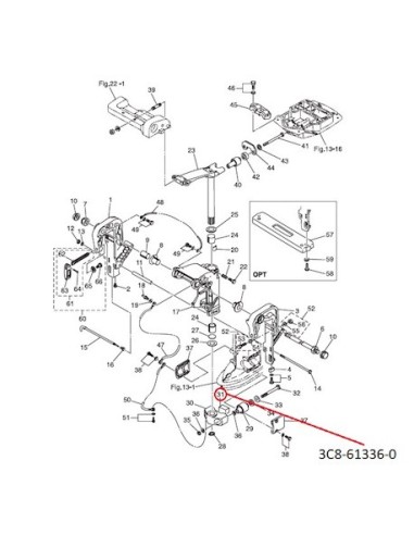
RTT41 Amortiguador

RTT41 Amortiguador

3C8-61336-0
Últimas unidades en stock
$ 6.144 
Impuestos incluidos

RTT41 Amortiguador

*Imagen Referencial

**Precio hace referencia únicamente al producto destacado en círculo rojo.

 

RTT41 Amortiguador

Repuesto para motor Tohatsu:

2 tiempos 40 HP - 50 HP (M40/50)

2 tiempos 50 HP (MX50)

2 tiempos inyectado 40 HP - 50 HP (MD40/50)

4 tiempos 25 HP - 30 HP (MFS25/30)

Producto sin reseñas
Producto añadido a favoritos
Producto añadido para comparar

Para mejorar la navegación se recomienda aceptar las cookies.