Hola, gracias por comunicarte a Tecnomar S.A. Nuestro horario de atención es de lunes a viernes de 9:00 a 18:00 horas, por lo que en este momento no podemos atenderte, pero en cuanto retomemos nuestro servicio atenderemos tu solicitud. Gracias por tu comprensión.
RTU08 ESPACIADOR

RTU08 ESPACIADOR

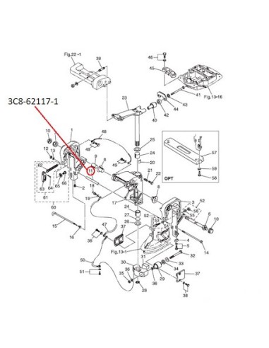
3C8-62117-1
$ 27.748 
Impuestos incluidos

RTU08 ESPACIADOR

*Imagen Referencial

**Precio hace referencia únicamente al producto destacado en círculo rojo.

 

RTU08 ESPACIADOR

Repuesto para motor Tohatsu:

2 tiempos 40 HP - 50 HP (M40/50)

2 tiempos 50 HP (MX50)

2 tiempos inyectado 40 HP - 50 HP (MD40/50)

Producto sin reseñas
Producto añadido a favoritos
Producto añadido para comparar

Para mejorar la navegación se recomienda aceptar las cookies.