Hola, gracias por comunicarte a Tecnomar S.A. Nuestro horario de atención es de lunes a viernes de 9:00 a 18:00 horas, por lo que en este momento no podemos atenderte, pero en cuanto retomemos nuestro servicio atenderemos tu solicitud. Gracias por tu comprensión.
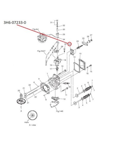
RTY35 PLACA

RTY35 PLACA

3H6-07233-0
Últimas unidades en stock
$ 3.766 
Impuestos incluidos

RTY35 PLACA

*Imagen Referencial

**Precio hace referencia únicamente al producto destacado en círculo rojo.

 

RTY35 PLACA

Repuesto para motor Tohatsu: 

4 tiempos 4 HP - 5 HP - 6 HP (MFS4/5/6)

Producto sin reseñas
Producto añadido a favoritos
Producto añadido para comparar

Para mejorar la navegación se recomienda aceptar las cookies.