Hola, gracias por comunicarte a Tecnomar S.A. Nuestro horario de atención es de lunes a viernes de 9:00 a 18:00 horas, por lo que en este momento no podemos atenderte, pero en cuanto retomemos nuestro servicio atenderemos tu solicitud. Gracias por tu comprensión.
RTR47 EMPAQUETADURA

RTR47 EMPAQUETADURA

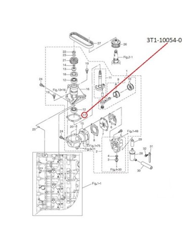
3T1-10054-0
$ 8.721 
Impuestos incluidos

RTR47 EMPAQUETADURA

*Imagen Referencial

**Precio hace referencia únicamente al producto destacado en círculo rojo.

 

RTR47 EMPAQUETADURA

Repuesto para motor Tohatsu:

2 tiempos inyectado 75 HP - 90 HP - 115 HP (MD75/90/115)

Producto sin reseñas
Producto añadido a favoritos
Producto añadido para comparar

Para mejorar la navegación se recomienda aceptar las cookies.