Hola, gracias por comunicarte a Tecnomar S.A. Nuestro horario de atención es de lunes a viernes de 9:00 a 18:00 horas, por lo que en este momento no podemos atenderte, pero en cuanto retomemos nuestro servicio atenderemos tu solicitud. Gracias por tu comprensión.
RTW40 TORNILLO

RTW40 TORNILLO

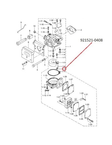
921521-0408
Últimas unidades en stock
$ 1.387 
Impuestos incluidos

RTW40 TORNILLO

*Imagen Referencial

**Precio hace referencia únicamente al producto destacado en círculo rojo.

 

RTW40 TORNILLO

Repuesto para motor Tohatsu

2 tiempos 5 HP (M5)

4 tiempos 40 HP - 50 HP - 60 HP (MFS40/50/60)

Producto sin reseñas
Producto añadido a favoritos
Producto añadido para comparar

Para mejorar la navegación se recomienda aceptar las cookies.