Hola, gracias por comunicarte a Tecnomar S.A. Nuestro horario de atención es de lunes a viernes de 9:00 a 18:00 horas, por lo que en este momento no podemos atenderte, pero en cuanto retomemos nuestro servicio atenderemos tu solicitud. Gracias por tu comprensión.
RTX93 GOLILLA

RTX93 GOLILLA

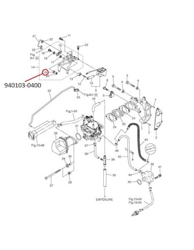
940103-0400
Últimas unidades en stock
$ 1.189 
Impuestos incluidos

RTX93 GOLILLA

*Imagen Referencial

**Precio hace referencia únicamente al producto destacado en círculo rojo.

 

RTX93 GOLILLA

Repuesto para motor Tohatsu

2 tiempos 3.5 HP - 25 HP - 30 HP - 70 HP (M3.5/25/30/70)

4 tiempos 2.5 HP - 3.5 HP - 4 HP - 5 HP - 6 HP - 8 HP - 9.8 HP - 15 HP - 20 HP (MFS2.5/3.5/4/5/6/8/9.8/15/20)

Producto sin reseñas
Producto añadido a favoritos
Producto añadido para comparar

Para mejorar la navegación se recomienda aceptar las cookies.