RTA71 BUJE

RTA71 BUJE

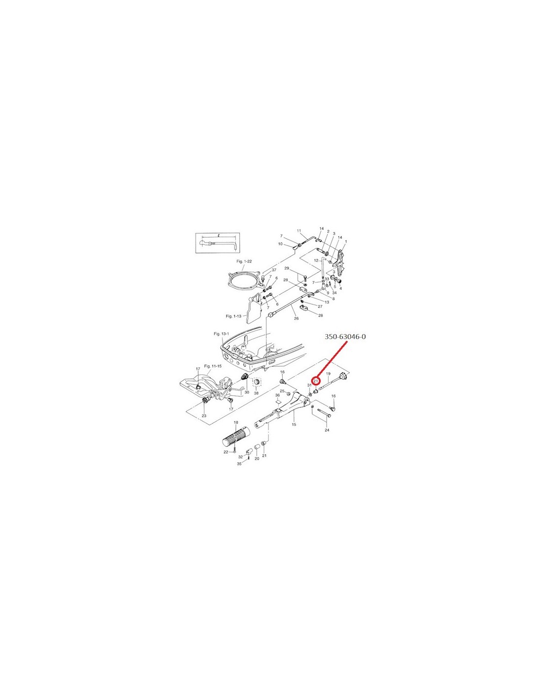
350-63046-0
$ 2.180 
Impuestos incluidos

RTA71 BUJE

*Imagen Referencial

**Precio hace referencia únicamente al producto destacado en círculo rojo.

 

RTA71 BUJE

Repuesto para motor Tohatsu:

2 tiempos 5 HP - 8 HP - 9.8 HP - 9.9 HP - 15 HP - 18 HP - 25 HP - 30 HP - 40C HP - 40 HP - 50 HP - 70 HP - 90 HP (M5/8/9.8/9.9/15/18/25/30/40C/40/50/70/90)

2 tiempos inyectado 40 HP - 50 HP (MD40/50)

4 tiempos 15 HP - 20 HP - 25 HP - 30 HP (MFS15/20/25/30)

Producto sin reseñas
Producto añadido a favoritos
Producto añadido para comparar

Para mejorar la navegación se recomienda aceptar las cookies.