Hola, gracias por comunicarte a Tecnomar S.A. Nuestro horario de atención es de lunes a viernes de 9:00 a 18:00 horas, por lo que en este momento no podemos atenderte, pero en cuanto retomemos nuestro servicio atenderemos tu solicitud. Gracias por tu comprensión.
RTG77 AROSELLO

RTG77 AROSELLO

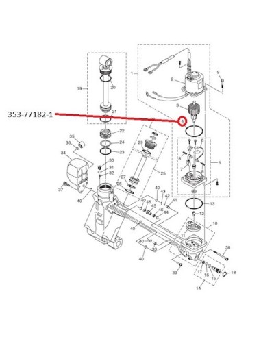
353-77182-1
$ 8.523 
Impuestos incluidos

RTG77 AROSELLO

*Imagen Referencial

**Precio hace referencia únicamente al producto destacado en círculo rojo.

 

RTG77 AROSELLO

Repuesto para motor Tohatsu:

2 tiempos 70 HP - 90 HP -115 HP (M70/90/115)

2 tiempos inyectados 70 HP - 90 HP - 115 HP (MD70/90/115)

Producto sin reseñas
Producto añadido a favoritos
Producto añadido para comparar

Para mejorar la navegación se recomienda aceptar las cookies.