Hola, gracias por comunicarte a Tecnomar S.A. Nuestro horario de atención es de lunes a viernes de 9:00 a 18:00 horas, por lo que en este momento no podemos atenderte, pero en cuanto retomemos nuestro servicio atenderemos tu solicitud. Gracias por tu comprensión.
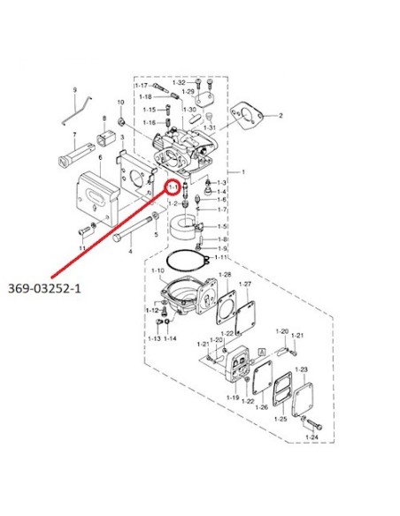
RTF74 SURTIDOR PRINCIPAL
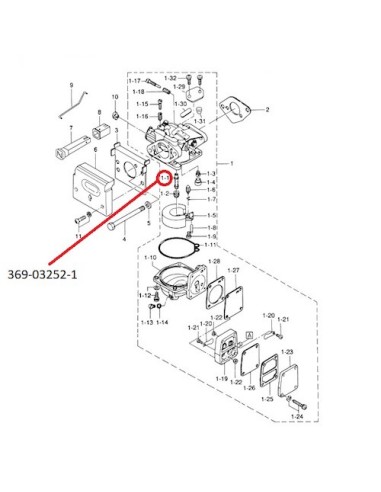
RTF74 SURTIDOR PRINCIPAL
RTF74 SURTIDOR PRINCIPAL
RTF74 SURTIDOR PRINCIPAL

RTF74 SURTIDOR PRINCIPAL

369-03252-1
Últimas unidades en stock
$ 17.243 
Impuestos incluidos

RTF74 SURTIDOR PRINCIPAL

*Imagen Referencial

**Precio hace referencia únicamente al producto destacado en círculo rojo.

 

RTF74 SURTIDOR PRINCIPAL

Repuesto para motor Tohatsu:

2 tiempos 5 HP (M5)

Producto sin reseñas
Producto añadido a favoritos
Producto añadido para comparar

Para mejorar la navegación se recomienda aceptar las cookies.