Hola, gracias por comunicarte a Tecnomar S.A. Nuestro horario de atención es de lunes a viernes de 9:00 a 18:00 horas, por lo que en este momento no podemos atenderte, pero en cuanto retomemos nuestro servicio atenderemos tu solicitud. Gracias por tu comprensión.
RTG23 EMPAQUETADURA

RTG23 EMPAQUETADURA

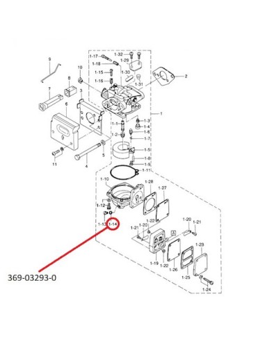
369-03293-0
$ 1.982 
Impuestos incluidos

RTG23 EMPAQUETADURA

*Imagen Referencial

**Precio hace referencia únicamente al producto destacado en círculo rojo.

 

RTG23 EMPAQUETADURA

Repuesto para motor Tohatsu:

2 tiempos 5 HP - 8 HP - 9.8 HP (M5/8/9.8)

4 tiempos 15B HP - 18B HP - 25A HP - 30A (MFS15B/18B/25A/30A)

Producto sin reseñas
Producto añadido a favoritos
Producto añadido para comparar

Para mejorar la navegación se recomienda aceptar las cookies.