Hola, gracias por comunicarte a Tecnomar S.A. Nuestro horario de atención es de lunes a viernes de 9:00 a 18:00 horas, por lo que en este momento no podemos atenderte, pero en cuanto retomemos nuestro servicio atenderemos tu solicitud. Gracias por tu comprensión.
RTI22 TORNILLO AJUSTE

RTI22 TORNILLO AJUSTE

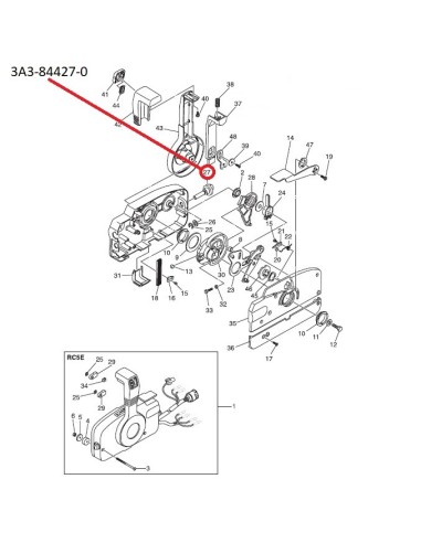
3A3-84427-0
$ 18.631 
Impuestos incluidos

RTI22 TORNILLO AJUSTE

*Imagen Referencial

**Precio hace referencia únicamente al producto destacado en círculo rojo.

 

RTI22 TORNILLO AJUSTE

Repuesto para motor Tohatsu:

2 tiempos inyectado 40 HP - 50 HP - 70 HP - 90 HP - 115 HP (MD40/50/70/90/115)

4 tiempos 4 HP - 5 HP - 6 HP - 8 HP - 9.8 HP - 15 HP - 20 HP - 25 HP - 30 HP - 40 HP - 50 HP (MFS4/5/6/8/9.8/15/20/25/30/40/50)

Producto sin reseñas
Producto añadido a favoritos
Producto añadido para comparar

Para mejorar la navegación se recomienda aceptar las cookies.