RT836 CARRETE

RT836 CARRETE

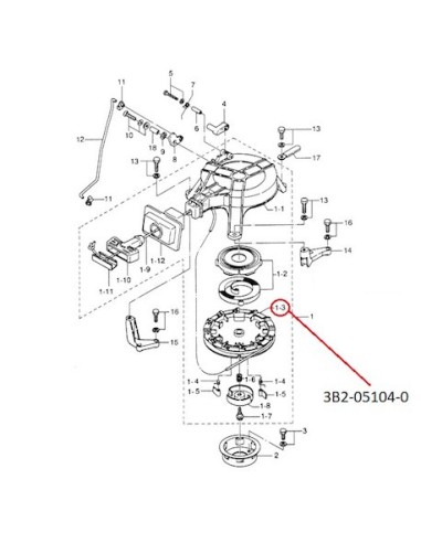
3B2-05104-0
Últimas unidades en stock
$ 45.586 
Impuestos incluidos

RT836 CARRETE

*Imagen Referencial

**Precio hace referencia únicamente al producto destacado en círculo rojo.

 

RT836 CARRETE

Repuesto para motor Tohatsu:

2 tiempos 5 HP - 8 HP - 9.8 HP (M5/8/9.8)

4 tiempos 4 HP - 5 HP - 6 HP (MFS4/5/6)

Producto sin reseñas
Producto añadido a favoritos
Producto añadido para comparar

Para mejorar la navegación se recomienda aceptar las cookies.