Hola, gracias por comunicarte a Tecnomar S.A. Nuestro horario de atención es de lunes a viernes de 9:00 a 18:00 horas, por lo que en este momento no podemos atenderte, pero en cuanto retomemos nuestro servicio atenderemos tu solicitud. Gracias por tu comprensión.
RTB37 RETEN

RTB37 RETEN

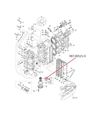
3B7-00121-0
Últimas unidades en stock
$ 23.784 
Impuestos incluidos

RTB37 RETEN

*Imagen Referencial

**Precio hace referencia únicamente al producto destacado en círculo rojo.

 

RTB37 RETEN

Repuesto para motor Tohatsu:

2 tiempos 90A HP - 115 HP (M90A/115)

Producto sin reseñas
Producto añadido a favoritos
Producto añadido para comparar

Para mejorar la navegación se recomienda aceptar las cookies.