RTZ42 BANDA MOTOR DE ARRANQUE

RTZ42 BANDA MOTOR DE ARRANQUE

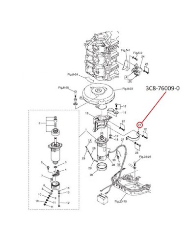
3C8-76009-0
$ 8.126 
Impuestos incluidos

RTZ42 BANDA MOTOR DE ARRANQUE

*Imagen Referencial

**Precio hace referencia únicamente al producto destacado en círculo rojo.

 

RTZ42 BANDA MOTOR DE ARRANQUE

Repuesto para motor Tohatsu:

2 tiempos 40 HP - 50 HP (M40/50)

2 tiempos inyectado 40 HP - 50 HP (MD40/50)

Producto sin reseñas
Producto añadido a favoritos
Producto añadido para comparar

Para mejorar la navegación se recomienda aceptar las cookies.