Hola, gracias por comunicarte a Tecnomar S.A. Nuestro horario de atención es de lunes a viernes de 9:00 a 18:00 horas, por lo que en este momento no podemos atenderte, pero en cuanto retomemos nuestro servicio atenderemos tu solicitud. Gracias por tu comprensión.
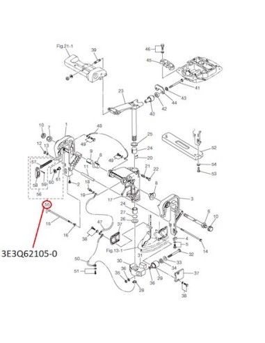
RTV44 KIT MANILLA

RTV44 KIT MANILLA

3E3Q62105-0
$ 61.442 
Impuestos incluidos

RTV44 KIT MANILLA

*Imagen Referencial

**Precio hace referencia únicamente al producto destacado en círculo rojo.

 

RTV44 KIT MANILLA

Repuesto para motor Tohatsu:

2 tiempos 40 HP - 50 HP (M40/50)

2 tiempos 50 HP (MX50)

2 tiempos inyectado 40 HP - 50 HP (MD40/50)

4 tiempos 8 HP - 9.8 HP (MFS8/9.8)

Producto sin reseñas
Producto añadido a favoritos
Producto añadido para comparar

Para mejorar la navegación se recomienda aceptar las cookies.