Hola, gracias por comunicarte a Tecnomar S.A. Nuestro horario de atención es de lunes a viernes de 9:00 a 18:00 horas, por lo que en este momento no podemos atenderte, pero en cuanto retomemos nuestro servicio atenderemos tu solicitud. Gracias por tu comprensión.
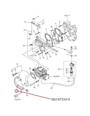
RTV51 PALANCA DEL AHOGADOR

RTV51 PALANCA DEL AHOGADOR

3G2-67152-0
Últimas unidades en stock
$ 11.297 
Impuestos incluidos

RTV51 PALANCA DEL AHOGADOR

*Imagen Referencial

**Precio hace referencia únicamente al producto destacado en círculo rojo.

 

RTV51 PALANCA DEL AHOGADOR

Repuesto para motor Tohatsu: 

2 tiempos 9.9 HP - 15 HP - 18 HP (M9.9/15/18)

Producto sin reseñas
Producto añadido a favoritos
Producto añadido para comparar

Para mejorar la navegación se recomienda aceptar las cookies.