Hola, gracias por comunicarte a Tecnomar S.A. Nuestro horario de atención es de lunes a viernes de 9:00 a 18:00 horas, por lo que en este momento no podemos atenderte, pero en cuanto retomemos nuestro servicio atenderemos tu solicitud. Gracias por tu comprensión.
RTL61 ANILLO

RTL61 ANILLO

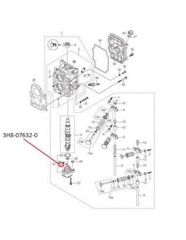
3H8-07632-0
Últimas unidades en stock
$ 3.964 
Impuestos incluidos

RTL61 ANILLO

*Imagen Referencial

**Precio hace referencia únicamente al producto destacado en círculo rojo.

 

RTL61 ANILLO

Repuesto para motor Tohatsu: 

4 tiempos 15B HP - 18B HP - 20 HP (MFS15B/18B/20)

Producto sin reseñas
Producto añadido a favoritos
Producto añadido para comparar

Para mejorar la navegación se recomienda aceptar las cookies.