Hola, gracias por comunicarte a Tecnomar S.A. Nuestro horario de atención es de lunes a viernes de 9:00 a 18:00 horas, por lo que en este momento no podemos atenderte, pero en cuanto retomemos nuestro servicio atenderemos tu solicitud. Gracias por tu comprensión.
RTU73 RESORTE

RTU73 RESORTE

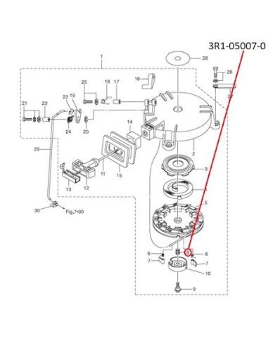
3R1-05007-0
$ 2.378 
Impuestos incluidos

RTU73 RESORTE

*Imagen Referencial

**Precio hace referencia únicamente al producto destacado en círculo rojo.

 

RTU73 RESORTE

Repuesto para motor Tohatsu:

4 tiempos 4 HP - 5 HP - 6 HP - 8 HP - 9.8 HP (MFS4/5/6/8/9.8)

Producto sin reseñas
Producto añadido a favoritos
Producto añadido para comparar

Para mejorar la navegación se recomienda aceptar las cookies.