Hola, gracias por comunicarte a Tecnomar S.A. Nuestro horario de atención es de lunes a viernes de 9:00 a 18:00 horas, por lo que en este momento no podemos atenderte, pero en cuanto retomemos nuestro servicio atenderemos tu solicitud. Gracias por tu comprensión.
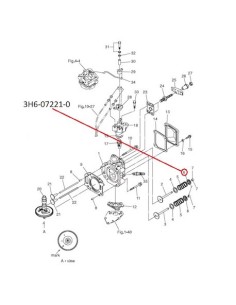
RTZ230 CHAVETA

RTZ230 CHAVETA

3H6-07223-0
$ 3.356 
Impuestos incluidos

RTZ230 CHAVETA

*Imagen Referencial

**Precio hace referencia únicamente al producto destacado en círculo rojo.

 

RTZ230 CHAVETA

Repuesto para motor Tohatsu: 

4 tiempos 2.5 HP - 3.5 HP - 4 HP - 5 HP - 6 HP - 25 HP - 30 HP - 40 HP - 50 HP (MFS2.5/3.5/4/5/6/25/30/40/50)

Producto sin reseñas

Los clientes que adquirieron este producto también compraron:

Producto añadido a favoritos
Producto añadido para comparar

Para mejorar la navegación se recomienda aceptar las cookies.