Hola, gracias por comunicarte a Tecnomar S.A. Nuestro horario de atención es de lunes a viernes de 9:00 a 18:00 horas, por lo que en este momento no podemos atenderte, pero en cuanto retomemos nuestro servicio atenderemos tu solicitud. Gracias por tu comprensión.
RTZ218 EMPAQUETADURA

RTZ218 EMPAQUETADURA

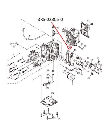
3RS-02305-0
$ 9.910 
Impuestos incluidos

RTZ218 EMPAQUETADURA

*Imagen Referencial

**Precio hace referencia únicamente al producto destacado en círculo rojo.

 

RTZ218 EMPAQUETADURA

Repuesto para motor Tohatsu:

4 tiempos 15E HP - 20E HP (MFS15E/20E)

Producto sin reseñas
Producto añadido a favoritos
Producto añadido para comparar

Para mejorar la navegación se recomienda aceptar las cookies.