Hola, gracias por comunicarte a Tecnomar S.A. Nuestro horario de atención es de lunes a viernes de 9:00 a 18:00 horas, por lo que en este momento no podemos atenderte, pero en cuanto retomemos nuestro servicio atenderemos tu solicitud. Gracias por tu comprensión.
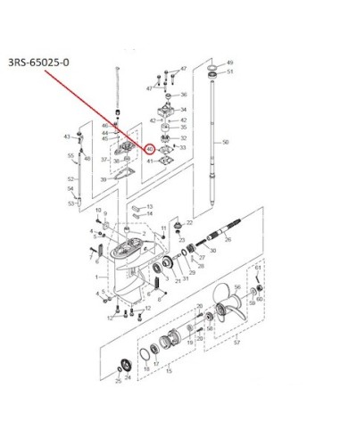
RTZ226 PLACA GUIA BOMBA AGUA

RTZ226 PLACA GUIA BOMBA AGUA

3RS-65025-0
Últimas unidades en stock
$ 4.757 
Impuestos incluidos

RTZ226 PLACA GUIA BOMBA AGUA

*Imagen Referencial

**Precio hace referencia únicamente al producto destacado en círculo rojo.

 

RTZ226 PLACA GUIA BOMBA AGUA

Repuesto para motor Tohatsu:

4 tiempos 15E HP - 20E HP (MFS15E/20E)

Producto sin reseñas
Producto añadido a favoritos
Producto añadido para comparar

Para mejorar la navegación se recomienda aceptar las cookies.